Leister HOTWIND PREMIUM horkovzdušné dmychadlo 230V/2300W, bez zástrčky, 142.643
Kompaktní horkovzdušné dmychadlo určené pro nepřetržitý provoz v průmyslových aplikacích
Díky bezuhlíkovému motoru a ochraně proti přehřátí je ideální pro dlouhodobé použití
Snadná integrace do výrobních linek díky kompaktní konstrukci
Klíčové vlastnosti
Plynule nastavitelný výkon ohřevu a průtok vzduchu pomocí potenciometru
Bezuhlíkový motor zajišťuje dlouhou životnost a tichý chod
Integrovaná výkonová elektronika pro stabilní provoz
Ochrana proti přehřátí topného tělesa i zařízení
Automatická funkce dochlazování (Cool-Down)
Kompaktní konstrukce vhodná pro průmyslové použití
Možnost rozšíření o ruční kit (rukojeť a ochranná trubice)
Technické parametry
Napětí 230 V
Příkon 2300 W
Proud 10 A
Frekvence 50/60 Hz
Max. teplota vzduchu 650 °C
Průtok vzduchu 200 - 900 l/min
Max. teplota vstupního vzduchu 60 °C
Max. okolní teplota 60 °C
Ochrana proti přehřátí ano
Statický tlak 1000 Pa
Průměr připojení trysky 62 mm
Hlučnost < 70 dB(A)
Displej ne
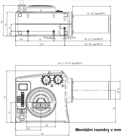
Rozměry (dxšxv) 332 x 106 x 179 mm
Hmotnost 2.2 kg
Délka kabelu 3 m
Zástrčka bez zástrčky
Certifikace CE, S+, cURus
Třída ochrany II
Aplikace
Prakticky neomezené použití
Smršťování fólií
Proces povrchové úpravy
Proces sušení
Proces laminování
Sterilizační procesy
Rozsah dodávky:
1x Leister HOTWIND PREMIUM horkovzdušné dmychadlo 142.643 (bez zástrčky)
Bez příslušenství (trysky a doplňky volitelné)
© 2005-2026 Ivo Grandič - půjčovna a prodej profesionálního elektrického a ručního nářadí, obchod pro kutily i profesionály - Břeclav, jižní Morava.