Leister HOTWIND SYSTEM horkovzdušné dmychadlo 230V/2300W, bez zástrčky, 140.096
Výkonné horkovzdušné dmychadlo s možností externího řízení pro průmyslové aplikace
Díky bezuhlíkovému motoru je vhodné pro nepřetržitý provoz bez údržby
Integrované rozhraní umožňuje přesné řízení teploty, výkonu i průtoku vzduchu
Klíčové vlastnosti
Plynule regulovatelný výkon ohřevu a průtok vzduchu až 900 l/min
Integrovaná teplotní sonda pro přesné řízení
Možnost dálkového ovládání přes analogové rozhraní (0–10 V, 4–20 mA)
Alarmový výstup pro kontrolu provozu
Digitální displej zobrazující aktuální a nastavené hodnoty
Bezuhlíkový motor pro dlouhou životnost a tichý chod
Automatická funkce dochlazování
Kompaktní konstrukce vhodná pro integraci do výrobních linek
Technické parametry
Napětí 230 V
Příkon 2300 W
Proud 10 A
Frekvence 50/60 Hz
Regulace teploty řízená
Max. teplota vzduchu 650 °C
Průtok vzduchu 200 - 900 l/min
Max. teplota vstupního vzduchu 60 °C
Max. okolní teplota 60 °C
Ochrana proti přehřátí ano
Statický tlak 1000 Pa
Průměr připojení trysky 62 mm
Hlučnost < 70 dB(A)
Displej ano
Rozhraní 0–10 V, 4–20 mA
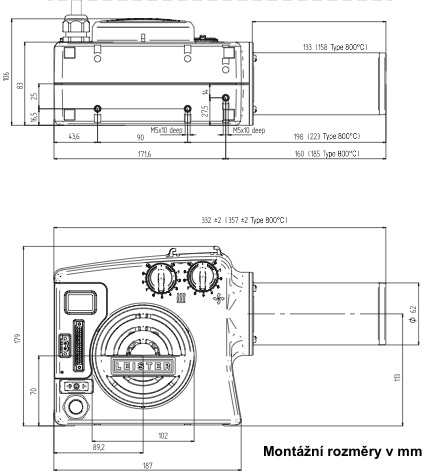
Rozměry (dxšxv) 332 x 106 x 179 mm
Hmotnost 2.2 kg
Délka kabelu 3 m
Zástrčka bez zástrčky
Certifikace CE, EAC, S+, cURus
Třída ochrany II
Rozsah dodávky:
1x Leister HOTWIND SYSTEM horkovzdušné dmychadlo 140.096 (bez zástrčky)
Bez příslušenství (trysky a doplňky volitelné)
© 2005-2026 Ivo Grandič - půjčovna a prodej profesionálního elektrického a ručního nářadí, obchod pro kutily i profesionály - Břeclav, jižní Morava.