NC kompaktní hydro-mechanický svěrák Röhm RKE 92
Kompaktní přesný svěrák pro CNC obráběcí centra vybavený hydraulickým ručním posilovačem. Umožnuje bezpečné upínání při minimální námaze obsluhy. 
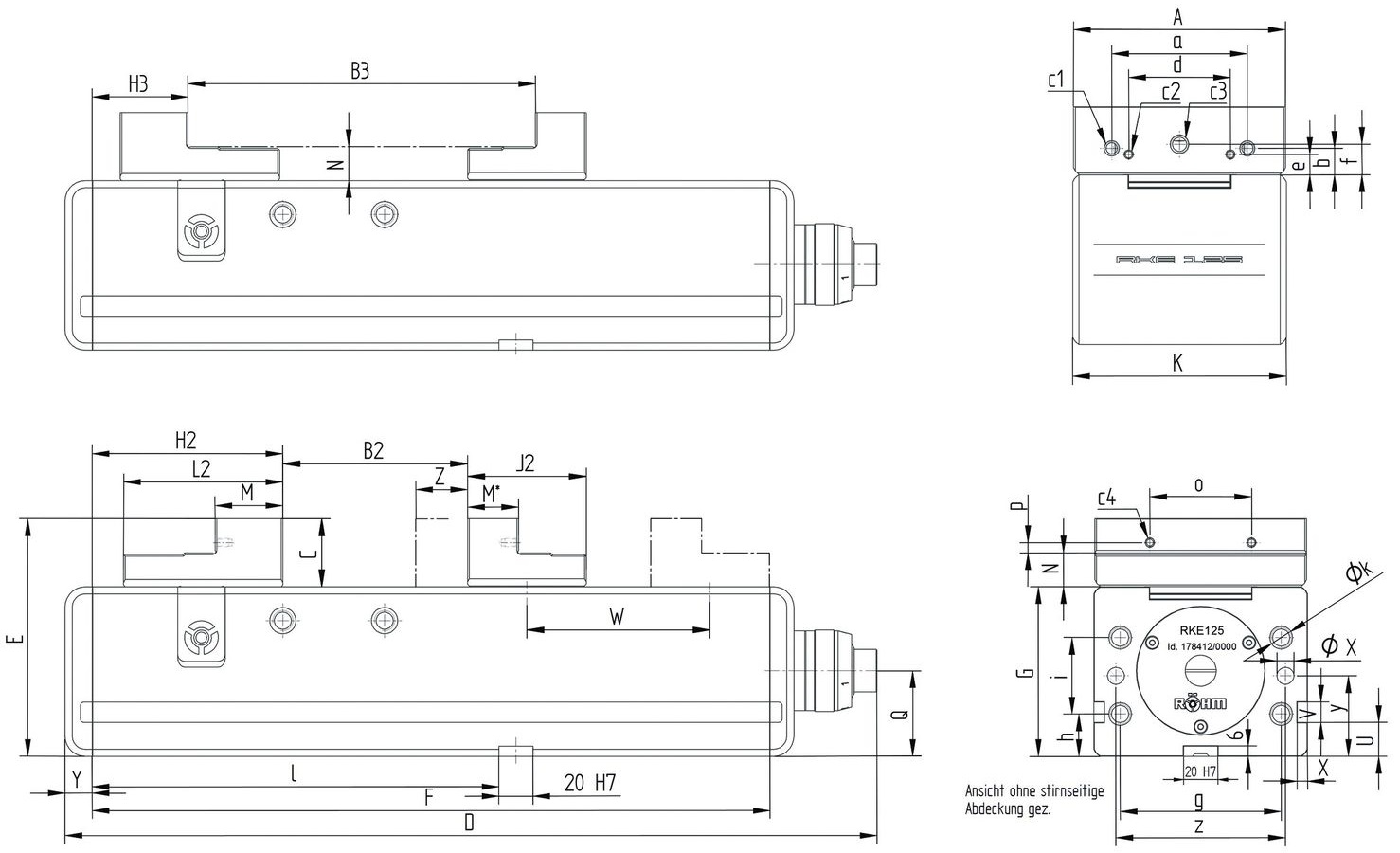
Tyto prémiové modulární svěráky jsou vhodné pro obráběcí centra, brusky, frézky a jsou ideální pro 5-stranné obrábění.
Výborná dostupnost upnutého obrobku pro obrábění
Vysoká opakovatelná přesnost upnutí
Upínací systém: Mechanicko-hydraulický, ručně ovládaný
Pohon vřetene a mechanicko-hydraulický převod síly jsou zapouzdřené - ochrana proti třískám
Pouhým otočením regulátoru upínací síly lze předvolit až 60 kN upínací síly. 
Pro upnutí na deformace citlivých obrobků, lze posilovací funkci vypnout
Zvláště vhodné pro použití na obráběcích centrech
Ochrana proti třískám
Tělo svěráku je provedeno z masivní oceli a všechny vodicí plochy jsou kalené a broušené na všech stranách. Spodní díl s příčnou drážkou 20 H7
Univerzálně použitelné – svěráky lze používat horizontálně, vertikálně nebo i na boku
Jednoduché spojení více modulárních svěráků pro práci v sestavách
Sadu dvou i čtyř svěráků je možné použít vertikálně bez použití palety
Upínací plocha pro upínání upínkami (krapnami)
Centrální mazání vodítek a závitu vřetena
Závit pro úhlovou montáž pohonu
Dlouhé funkční a upínací plochy jsou na všech styčných stranách kalené a přesně broušené
Otočná pevná a pohyblivá reverzní čelist
Otvory se závitem pro montáž všech plochých čelistí Röhm se šířkou 125/160 mm
Stabilní svěráky s kompaktním designem a maximální přesností upínání pro stísněné prostory
Jednoduchá obsluha
Šířka čelistí 92 mm
Upínací délka 0 ÷ 138 | 71 ÷ 208 mm
Výška čelistí 32 mm
Celková délka (Dmax) 330 mm
Délka svěráku (F) 276 mm 
Šířka svěráku 94 mm
Výška svěráku 112 mm 
Upínací tlak 25 kN
Hmotnost 15 kg

178411 strojní NC hydro-mechanický svěrák Röhm RKE 92

Mikroskop Primotech Paket D - D/A s ESD křížový stůl a integr. 5MP kamera Zeiss

PROVA 6200 klešťový wattmetr
 © 2005-2025 Ivo Grandič - půjčovna a prodej profesionálního elektrického a ručního nářadí, obchod pro kutily i profesionály - Břeclav, jižní Morava.
© 2005-2025 Ivo Grandič - půjčovna a prodej profesionálního elektrického a ručního nářadí, obchod pro kutily i profesionály - Břeclav, jižní Morava.