NC kompaktní přesný svěrák Röhm RKE-LV 125 s posilovačem a zvýšenými čelistmi
Kompaktní přesný svěrák pro CNC obráběcí centra vybavený mechanickým ručním posilovačem. Umožnuje bezpečné upínání při minimální námaze obsluhy. 
Tyto kompaktní modulární svěráky jsou optimalizovány pro obráběcí centra a 5-stranné obrábění na jedno upnutí obrobku.
Optimalizováno pro bezkolizní 5-stranné obrábění při jednom upnutí
Vhodné zejména pro 5-osá obráběcí centra v kombinaci se základní deskou
Krátká, kompaktní konstrukce svěráku
Výborná dostupnost upnutého obrobku pro obrábění
Vysoká opakovatelná přesnost upnutí
Velká upínací plocha
Přesné polohování
Upínací systém: Mechanicko-mechanický, ručně ovládaný
Pohon vřetene a mechanicko-mechanický převod síly jsou zapouzdřené - ochrana proti třískám
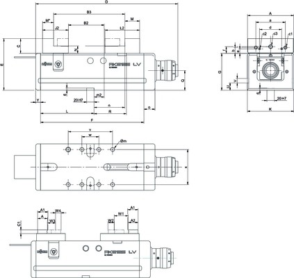
Tělo svěráku je provedeno z masivní oceli a všechny vodicí plochy jsou kalené a broušené na všech stranách. Spodní díl s dlouhými a příčnými drážkami 20 H7
Univerzálně použitelné – svěráky lze používat horizontálně, vertikálně nebo i na boku
Upínací plocha pro upínání upínkami (krapnami)
Centrální mazání vodítek a závitu vřetena
Dlouhé funkční a upínací plochy jsou na všech styčných stranách kalené a přesně broušené
Stabilní svěráky s kompaktním designem a maximální přesností upínání pro stísněné prostory
Jednoduchá obsluha
Šířka čelistí 125 mm
Upínací délka 35 - 215 | 65 - 225
Výška čelistí 20 mm
Celková délka (Dmax) 385 mm
Délka svěráku (F) 280 mm
Šířka svěráku 126 mm
Výška svěráku 140 mm
Upínací tlak 40 kN
Hmotnost 29 kg
Rozsah dodávky :
Zvýšené čelisti vč. otočných připevňovacích vložek. Pro kruhové a obdélníkové obrobky
Upínací rozsahy podepřených čelistí:
Obdélníkové obrobky: 35 - 215 mm
Kulaté obrobky: 65 - 225 mm

180465 strojní NC svěrák Röhm RKE-LV 125 s mechanickým posilovačem

Kärcher WD 6 P S V vysavač na mokré a suché vysávání 1.628-380.0

Röhm 178412 strojní NC svěrák RKE 125 s mechanickým posilovačem

Hasák řetězový P/L 2'' Virax

Hazet 9213-1000/3 aku bezuhlíkový rázový utahovák 1x 18 V 5.0 Ah, 1400 Nm, 3/4“

Hurrican Set 3/8-1/2-5/8-3/4-7/8 palce elektrický vyhrdlovač Rems

Power Jet-Light ELP 436 IP44 4x36W lampa Brennenstuhl

Nilfisk 107406115 hadice sací, délka 3,5m (32mm)

CE123N bruska na konvexní a konkávní povrchy Virutex

Atlas Copco 090172-7 dvojice hydraulických hadic 8434212395
 © 2005-2025 Ivo Grandič - půjčovna a prodej profesionálního elektrického a ručního nářadí, obchod pro kutily i profesionály - Břeclav, jižní Morava.
© 2005-2025 Ivo Grandič - půjčovna a prodej profesionálního elektrického a ručního nářadí, obchod pro kutily i profesionály - Břeclav, jižní Morava.