Samostředící 4-čelisťové sklíčidlo RÖHM Duro-M 100/4 (DIN 6350)
4 čelisti, DIN 6350, válcový středicí držák, tvar A, ocelové tělo, s vrtacími a soustružnickými čelistmi
DIN 6350, forma A
S cylindrickým středícím držákem
Zápustkově kované ocelové tělo a spirálový kroužek
Přední čelo zploštělé na hranách až do velikosti 315 mm, čímž se snižuje hmotnost a setrvačnost hmoty
Plochá spirála zápustkově kovaná a vysoce temperovaná, boky závitu oboustranně broušené
Čelisti leštěné
Minimální interferenční obrys
Přenos vysokého výkonu
Odkapávací hrana pro chladicí kapalinu
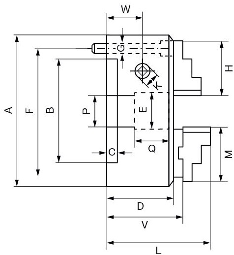
Čtyřčelisťové sklíčidlo soustruhů DURO-M, DIN 6350
Velikost: 200 mm
Velikost palce: 8 palců
Ø průchozího otvoru: 55 mm
Středový otvor: 160 mm
Výška bez čelistí: 83,5 mm
Výška čelistí: 32,5 mm
Hloubka středění: 4 mm
Soustřednost: 0,04 mm
Max.otáčky: 4000 min-1

185324 samostředící 4-čelisťové sklíčidlo RÖHM Duro-M 100/4 (DIN 6350)

PTB202510 box na nářadí Bahco

1545140 Gedore momentový klíč Torcofix-K 3/8, 10-50 Nm
 © 2005-2025 Ivo Grandič - půjčovna a prodej profesionálního elektrického a ručního nářadí, obchod pro kutily i profesionály - Břeclav, jižní Morava.
© 2005-2025 Ivo Grandič - půjčovna a prodej profesionálního elektrického a ručního nářadí, obchod pro kutily i profesionály - Břeclav, jižní Morava.