Samostředicí kompaktní NC svěrák Röhm RKZ-M 125
Kompaktní mechanický středící NC svěrák Röhm optimalizovaný pro obrábění ve víceosých obráběcích centrech.
Jako hospodárné řešení středícího upnutí při použití v systémech paletování popř. automatizovaných systémech.
Bez dalších pomůcek nebo speciálních upínacích čelistí je možné středícím svěrákem RKZ upnout obrobek bezpečně - a to s minimálním zásahem do obrysů
Díky krátké, kompaktní a robustní konstrukci je zajištěn maximální stupeň volnosti v 5- a vícestranném obrábění
Všechny funkční plochy svěráku jsou kalené a broušené pro dlouhou životnost
Konstantní upínací síla a vysoká přesnost upínání:±0,02 mm
Centrické upínání se dvěma mobilními čelistmi
Konstantní upínací síly pro každé upnutí s vysokou přesností opakování 0,01 mm lze zajistit při použití momentového klíče
Mechanický, ručně ovládaný upínací systém, bez posilovače
Závit vřetena je chráněn v jakékoliv poloze základních čelistí před nečistotami a třískami
Maximální flexibilita a všestranné upevnění svěráku na pracovní plochu.
Třístranné uložení (základní ležatě, na přední straně, boční), Dvojitá i čtyřnásobná věž
Rychlá demontáž i montáž je možná pouze se svorkami
Centrální mazání vodítek a závitu vřetena - na obou stranách svěráku jsou pevně umístěné mazací hlavice
Standardně dodáváno se špičkovými stupňovitými čelistmi
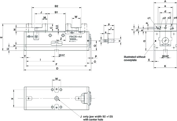
Šířka čelistí 125 mm
Upínací délka B1 0 ÷ 97 | 92 ÷ 189 mm
Upínací délka B2 81 ÷ 177 | 172 ÷ 269 mm
Výška čelistí (C) 40 mm
Celková délka (Dmax) 366 mm
Délka svěráku (F) 330 mm
Šířka svěráku (K) 126 mm
Výška svěráku (E) 145 mm
Upínací tlak 25 kN
Hmotnost 32,5 kg
180193 samostředicí NC svěrák Röhm RKZ-M 125
TOPLINE 720 mm profi řezačka Kaufmann
UNI-T UPO1102 digitální fosforový osciloskop 100 MHz, 07730179
Chicago Pneumatic CP9107 pneumatická přímá bruska s pistolovým úchopem
Flex CHE 2-28 SDS-Plus univerzální vrtací kladivo, 413666
D65S/CA-300 microDrain inspekční systém 40793 RIDGID
DJS161Y1J aku prostřihovač + 1x 1,5 Ah Li-on + Makpac Makita
KS Tools 515.0890 sada kovaných hlavic na hliníkové disky, 10-dílná + kufr
CPS3 kompresor bezolejový přenosný Black & Decker
Leister 145.915 svařovací botka V-svar 8/10mm a X-svar 15/20mm
© 2005-2026 Ivo Grandič - půjčovna a prodej profesionálního elektrického a ručního nářadí, obchod pro kutily i profesionály - Břeclav, jižní Morava.