Samostředicí kompaktní NC svěrák Röhm RKZ-M 92
Kompaktní mechanický středící NC svěrák Röhm optimalizovaný pro obrábění ve víceosých obráběcích centrech.
Jako hospodárné řešení středícího upnutí při použití v systémech paletování popř. automatizovaných systémech.
Bez dalších pomůcek nebo speciálních upínacích čelistí je možné středícím svěrákem RKZ upnout obrobek bezpečně - a to s minimálním zásahem do obrysů
Díky krátké, kompaktní a robustní konstrukci je zajištěn maximální stupeň volnosti v 5- a vícestranném obrábění
Všechny funkční plochy svěráku jsou kalené a broušené pro dlouhou životnost
Konstantní upínací síla a vysoká přesnost upínání:±0,02 mm
Centrické upínání se dvěma mobilními čelistmi
Konstantní upínací síly pro každé upnutí s vysokou přesností opakování 0,01 mm lze zajistit při použití momentového klíče
Mechanický, ručně ovládaný upínací systém, bez posilovače
Závit vřetena je chráněn v jakékoliv poloze základních čelistí před nečistotami a třískami
Maximální flexibilita a všestranné upevnění svěráku na pracovní plochu.
Třístranné uložení (základní ležatě, na přední straně, boční), Dvojitá i čtyřnásobná věž
Rychlá demontáž i montáž je možná pouze se svorkami
Centrální mazání vodítek a závitu vřetena - na obou stranách svěráku jsou pevně umístěné mazací hlavice
Standardně dodáváno se špičkovými stupňovitými čelistmi
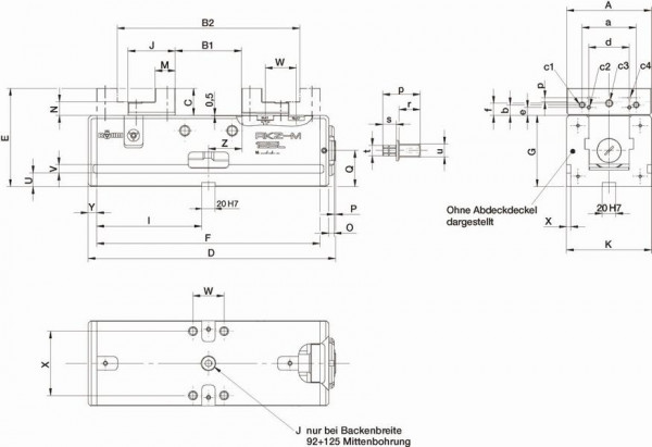
Šířka čelistí 92 mm
Upínací délka B1 0 - 76 | 70 - 146 mm
Upínací délka B2 78 - 138 | 132 - 208 mm
Výška čelistí (C) 32 mm
Celková délka (Dmax) 295 mm
Délka svěráku (F) 260 mm
Šířka svěráku (K) 94 mm
Výška svěráku (E) 117 mm
Upínací tlak 20 kN
Hmotnost 18 kg
180192 samostředicí NC svěrák Röhm RKZ-M 92
Omega 2500 digitální TIG-AC/DC invertor MAHE
B 32/3 vrtačka 600323000 Metabo
PicoScopeR 3404A USB osciloskop, 60 MHz 4 kanály Pico
NLD 20 laserový měřič vzdáleností Einhell
61000 00611 tester spotřebičů GMW TG euro1 med+
Roborock S8 robotický vysavač černý
Flex DWL 2500 10.8/18.0 aku svítilna 10,8V, 18V, bez aku, 486728
AMF 564132 svislá upínka Comfortline 6800C, velikost 1
AMF 52753 hákový klíč 1/2" kloubový 35 - 60 mm s nosem
© 2005-2026 Ivo Grandič - půjčovna a prodej profesionálního elektrického a ručního nářadí, obchod pro kutily i profesionály - Břeclav, jižní Morava.